SR-22 Crash in Zurich

Steve,

I’m pretty sure that the phrase in this context is related to engine power failure. Remember he was cleraed to climb back to 6000 because hé did not have the glideslope. When he did not climb, ATC asked “Say Altitude” and he said 3500 (was 3400 a while earlier). So, for whatever reason he was either unable to climb, or had missed the order to climb.

As usual, several chain links come together to create an accident. Looks like he neither had the localizer nor the glideslope in the first place (wrong frequency? GPS instead of VLOC?). ATC urged him to run 160. Then the climb to 6000 didn’t work for whatever reason. Then…

Timm

I listened to it and assumed some kind of electrical issue rather than engine failure. I would have expected a mayday or at least a pan call with an engine failure.

Ian

Norman;

Thanks so much for posting this MP3. Everyone should listen to this. Please some one tell me why when the pilot announced he had engine failure he did not declare an emergency? What level of failure do you need to declare an emergency in Europe? I also thought I heard him say that he was not on glide slope, so he was having a problem with that also. He announced he was at 3500 feet so he had some altitude. Sounded like he did not have the runway in sight, but had what he thought was the airport. I guess he thought he could glide it in.

I think I need more training now. I think we all need to get in some simulators and see if our brain is wired like his was and see if we would do the same as he did. I sit here thinking I would not, but what makes me think different. I would love to get in a simulator and have it set up with the same weather and have it fail the engine and see what I would do.

He sounded so calm and in control. I was also surprised with how the approach control sounded. They did not say anything when he annouced he had engine failure. Why did they not ask if he was declaring an emergency? Are the rules different in Europe? I wonder if that might have caused him to rethink his plan to glide to the airport.

I am so sorry for the families loss.

John

John

I have no idea if he had an electrical failure or an engine failure, but for me the combination of tone and the words ‘power failure’ rather than ‘engine failure’ suggest the former. That said, I would expect ATC to at least query the meaning of the phrase ‘power failure’

Ian

Here is in french the aeronautical forecast for engine powered airplane for Switzerland valid the afternoon of that ill fated flight:

What does is it tell?

There is humid air coming from the West with an associated cold front.

In the Northern part of the Alps (that includes the whole length of our country (about 300nm from Geneva to the east of Zurich) there is a cloud cover of 3-5/8 with bases at 2500-3000ft msl and cloud cover of 6-8/8 with bases at 3000-4000ft msl. Rain-snow limit is at 6000ft msl lowering to 4000ft msl.Visibility 5 to 6 km, lower in showers.

At 5000ft T° is +1 - 0° limit is at 7500ft

Dangers: North of the Alps moderate to severe icing below 7000ft msl

I think this unfortunately was not a day for IFR flying in a single engine airplane without serious FIKI capacities. I do not know what the tops were but on the Geneva-Zurich route the usual altitude for our kind of operation would be FL100 thus certainly a ride in the soup today with very wet clouds all around,below and certainly above you.If this flight was direct to Berlin then the ATC wants you to transit over Zurich area at FL160.

I feel sorry for the victims of this tragic accident,all my thoughts to the families.

Timm,

I do not undestand the tape like you do.

Here is my transcription (time is from the beginning of the record) :

25:09 - Established N-BD
25:13 - N-BD report your altitude
25:16 -
3300 ft heading 144
- Roger you seem to be a little bit on the right side of the localizer and urr are you able to continue
25:25 -
Affirm will continue on current heading for the time, NB
…/…
25:36 - BD report the altitude now
-
3300 ft25:39 - And do you have the glide slope signal?
25:44 - Ah negative, no glide slope signal
25:47 - BD continue on present heading climb 6000 ft25:50 - Continuing on present heading, climbing 6000 ft
…/…
26:16 - BD report your present altitude
- 3500 ft, we have a power failure. I request to continue VFR, we have visual to the ground
- Do you have runway in sight?
26:29 -
Negative we have visual to the ground
- Roger then maintain visual to the ground. Contact tower heading 140. Keep track to the field.

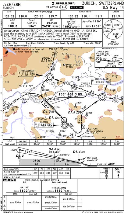
We do not have runway distances but what I understand is that N-BD was not exactely established on the localizer, above the glide at 3300 ft, then slightly climb to 3500 ft when requested by ATC to climb to 6000 ft (missed approach) but decided not to go around. He was to high (did not receive glide slope) and tried to perform a visual approach.

He declared a (electrical) power failure explaining why he was not on the glide but never declared an emergency, a mayday or panpan neitheir an emergency landing due to an engine failure.

ATC did not worry so much (he was above the glide at a safety altitude), requesting to call tower without giving him the next frequency : it’s not an ambiance of emergency due to an engine failure.

Of course we have to wait for the investigation.

Mes pensées et mes condoléances à la famille et aux proches

Je souhaite un prompt rétablissement aux passagers dans la souffrance.

In an emergency, the pilot needs to fly the airplane first. Calling for help only happens if you have time. Sounds like this man did not. A sad loss indeed.

Rob Mark

And relative to your comment about the controller being calm John, that often happens because they feel a bit helpless in times like which makes them say silly things like, “Roger.” Did you hear this audio of the F-16 pilot who made an engine out approach to Elizabeth City NC. The tower controller had no idea what was goiing on. http://www.jetwhine.com/2008/09/can-you-say-aircraft-emergency/

Rob Mark

Please correct me if I’m mistaken but it sounds to me like at the 24:00 a mayday was declared. It was very quick and short. If so, and engine failure would likely be followed by more conversation from the pilot given the urgency of the situation.

If it was an electrical failure I could understand trying to sort it out hence the more casual attitude.

I certainly could have misunderstood the recording though…

John,

Although this is speculation, I agree that the absolute calm and routine voice of the pilot is striking and in this context I would assume electrical failure.

Norman

It does sound like the word mayday, but to me it sounds like the person saying it is the person who just said ‘cleared for take off’’ Most of the coversation with BD starts at 25.10

Ian

It’s pure speculation but in Europe as everywhere in the world, if you were below the glide on approach ATC would not request you to
switch with tower without giving you the frequency but rather would
keep trying to help you on same frequency

Furthermore in case of engine failure at 3300 ft you would not acknowledge when requested by ATC to climb to 6000 ft but rather would say something like “unable to comply due to engine failure” and declare an emergency.

Denis,

I agree that everything is specualation so we better should stop and wait. But when ATC gives you a climb, then in many cases you first confirm, then shovel the power lever full forward - and only then it may show that you do not have power, or not full power, or wrong mixture setting, or whatever. On the glide slope, power is way back.

But still we don’t know whether mechanical or electrical problem. Guess we have to lean back and wait for 6 months.

Timm

Here is a more complete transcription :

10:10 - *BD speed for the moment 160 kts please
- ???
…/…*12:10 - BD turn left heading 070
-
Turning left heading 070 BD
- BD correction turn to the left heading 280
- left 280 BD
…/…

12:47 - BD turn left heading 260
-
turning left 260 BD
…/…

18:43 - BD with you 6000 ft speed 140 (???)kts
- BD Zurich ???..
…/…

19:20 - BD turn right 320, short time in left
- turning right 320 BD
- BD descend to 5000 ft
- 5000 ft BD
…/…

19:45 - BD contact Swiss Radar on 135.675 gutten tag
- 135.675 BD
- schuss
…/…
21:14 - BD turn left heading 230

  • turn left 230 BD
    21:20 - BD maintain your altitude please. Speed 160 kts on the ILS
    -
    Ah OK maintain 160 kts on the ILS BD* - Roger How long can you maintain the speed 160 kts
    -* Untill 4 miles* - Thank you. so maintain 140 kts for the time I’ll call you back
    -* 140 kts for the time*…/…22:20 - On the ILS 14 BD…/…*25:09 - Established N-BD
    25:13 - N-BD report your altitude
    25:16 -
    3300 ft heading 144
    - Roger you seem to be a little bit on the right side of the localizer and urr are you able to continue
    25:25 -
    Affirm will continue on current heading for the time, NB
    …/…
    25:36 - BD report the altitude now
    -
    3300 ft25:39 - And do you have the glide slope signal?
    25:44 - Ah negative, no glide slope signal
    25:47 - BD continue on present heading climb 6000 ft25:50 - Continuing on present heading, climbing 6000 ft
    …/…
    26:16 - BD report your present altitude
    - 3500 ft, we have a power failure. I request to continue VFR, we have visual to the ground
    - Do you have runway in sight?
    26:29 -
    Negative we have visual to the ground
    - Roger then maintain visual to the ground. Contact tower heading 140. Keep track to the field.

What is certain is :

  • BD was cleared to intercept the ILS at 5000 ft and 140 kts
  • at 22:20 he called ATC to report on ILS14
    at 5000 ft on the ILS you must be 11 NM from threshold- at 25:09 he called again to report established
    at 140 kt in 2mn49 you cover 6.6 NM so he was at 4.4 NM from threshold and should have been at 2780 ft
  • at 25:16 and 25:36 BD reported an altitude of 3300 ft
    so at this time he lost the glide and was above : instrument failure (?) but certaibly not a lost of engine power
  • at 25:44 he confirmed he had no glide slope signal
  • at 26:16 he reported to be at 3500 ft
    if he maintained 140 kts he was at this time 3.2 NM from threshold that is 1100 ft above the glide

It does read very poorly. That may be because the author was not aware of fatalities or injuries at the time he wrote it…

"Incident: Swiss A343 at Zurich on Oct 22nd 2008, go-around because crash of preceding aircraft

By Simon Hradecky, created Wednesday, Oct 22nd 2008 15:32Z, last updated Wednesday, Oct 22nd 2008 15:56Z"

He may have assumed it was a minor incident with airport reopening within 9 minutes. The later update is was probably to add the detail about the A340 arriving 44 mins late - presumably the author still unaware of the seriousness of the accident at that time.

Not defending it, just thinking about the context of the piece.

If as reported elsewhere the aircraft as en-route Geneva-Berlin, a pan or mayday call may have been made earlier on an en-rotue frequency significantly prior to the situation which develeped while being vectored to the Zurich approach. Whether that happened or not should be easy for the investigators to establish quickly.

I heard the same thing. A single word “Mayday” which was not acknowledged by anyone.

Throughout the whole thing the person on the radio in the accident aircraft sounded like nothing abnormal was happening.

Listening to it I also thought he had an engine failure not electrical failure but that says more about my preconceptions than anything else.

It sounds like mayday to me too. My best guess is that it is the take-off pilot, who having been cleared for take-off and told there is a mayday in progress - we hear his slightly trampled reply in which he acknowledges his take-off clearance and that there is a mayday. If that is what happened I guess a note to self would be try to avoid using or reading back the word mayday when informed about one.

I am sorry that my first post to this forum should be on such a tragic subject but I hope that this contribution to the discussion will be seen as positive.

I feel that I must start by expressing my deepest sympathies to the injured and to the families of all involved. Nothing we say here can help them directly: the best we can do is try to learn what we can from this and make some contribution to stopping something similar happening in the future.

I agree that there is little point in speculating about what went wrong with the plane. The investigation will likely get the answer to that.

I would like to look more closely at the question of what went wrong with the approach and why the pilot appears to have been quite a long way off both the localizer course and the glide slope. Obviously, the investigation will have recordings of the radar tracks available to it and these may or may not support the thoughts which follow.

I suggest that the following points from earlier posts may have a bearing on this:

· The aircraft had only recently been ferried from the US

· The pilot seems to have diverted to Zurich in IMC and perhaps also with potential icing

· It sounds like he was flying a Vectors to Final (VTF) approach

· He appears to have lost both the localizer and the glide slope

· He was asked to fly at 160 kts

· The radio was busy as you would expect at a big airport

· He reported having a power loss at a late stage in the incident

· He didn’t pull the CAPS

If I have any of this wrong, please accept my apologies.

At this stage, I should say that I went to the US last year to buy my own SR22 and do my instrument rating following which the aircraft was ferried over to the UK for me.

I well remember one of the first VTF approaches I flew after that. Most of the approaches I had done during my training were hand flown and I decided to fly this one as autopilot coupled. Fortunately I was actually in VMC so relatively unstressed.

What happened was that I screwed up the buttonology (IMHO something that is FAR too easy to do!) on the autopilot and flew through the localizer.

Because:

· I was flying slowly (110 kts)

· there was no other traffic

· my controller spotted what had happened and immediately gave me new vectors to re-establish

· I was in VMC anyway

· I had no technical issue of the kind reported here

It was not a big problem, I was able to re-establish on the approach, land successfully and learn the lesson.

Contrast that with what seems to have happened here:

· If the aircraft was only recently ferried over: how much Cirrus time did the pilot have?

· Given that he diverted to Zurich, he may have been thinking about the problem that caused him to need to do that

· He was in real IMC which makes it worse

· There seems to have been a risk of icing, something he may have felt a need to keep an eye on

· He was flying the approach at 160 knots which lets the plane get ahead of you fast

· The radio was busy

· He then had his power problem

If what happened to me happened to him, especially at 160 knots, and he then tried to re-establish himself, it is easy to see how he could end up too high and off course.

If you then overlay the other above mentioned factors, it is possible to see him becoming badly overloaded. In an extreme case perhaps, very speculatively, even to the point where maybe he forgot he had CAPS available?

Despite these problems, concentrating hard, as he would have been, it is a tribute to the pilot that he could sound as calm as he did, apparently trying to work the problem to the end.

There but for the grace of God and a good CSIP instructor goes any of us (well me anyhow!).

Apart from doing the necessary training, one piece of advice I would give anyone who hasn’t already done so is to read the excellent article on coupled VTF approaches in COPAPEDIA.

A final thought: the foreign language reports mention concerns expressed by the rescue authorities about the risk of the CAPS rocket cooking off in a crash. This is something I was asked about at a small airport in the UK some time ago and to which I could not provide an answer. What is the situation with this?

It is potentially quite scary to think that rescuers might be frightened to get you out of a crashed plane because of a perceived risk of the rocket going off while they are doing it. Of course, I suppose the problem goes away if you use the system!

Once again, my deepest sympathies to the injured and the families of all those involved.

Dear All,

I am a friend of a pilot. He was 36, married two daugters. He was very skilled pilot flying this plane minimum once a week for two years all over the Europe.

I know one of the survivor (currently in hospital), and I will post there details of accident soon. I was flying this plane in June, from Budapest to Warsaw, plane was in perfect condition.

I have made a rehearsal of all recorded ATC communication, and until last minutes there were no indication of any problems. For me it sounds as landing in Zurich was planned from start, and not due to icing, bad wheather or technical problems.