Flaps and the electrical system - SR20 G3

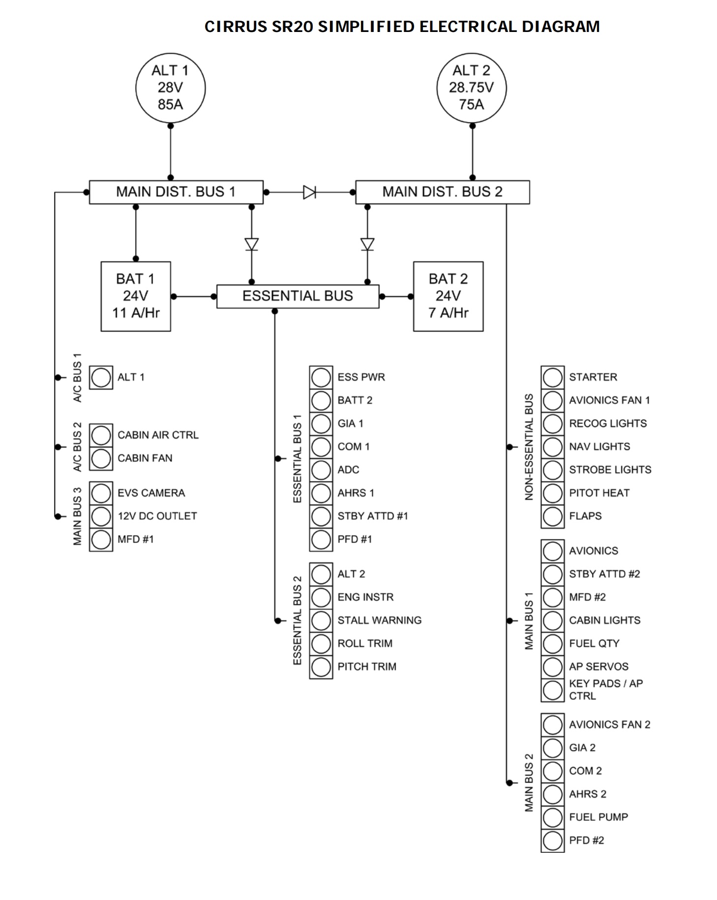
I was looking at a simplified diagram of the electrical system which I think matches the POH (attached diagram).


Based on that, I think the only way one will have INOP flaps is if both ALT1 and ALT2 fail.

BAT1 and BAT2 can only power the essential bus and main distribution bus 1. But as long as ALT2 is working, flaps should be available.

Is that correct - because I heard otherwise …

Thanks,
Bodi

Alt 1 and Alt 2 can work all day long if the flap relay or the flap motor fails …

BAT1 will power flaps.

There other flaps failure modes as @alexis59 said.

1 Like

oh yes - I see BAT1 powering flaps - doh

But if lets say BAT1 is discharged and ALT1 is dead - ALT2 should still power flaps right according to the diagram above.

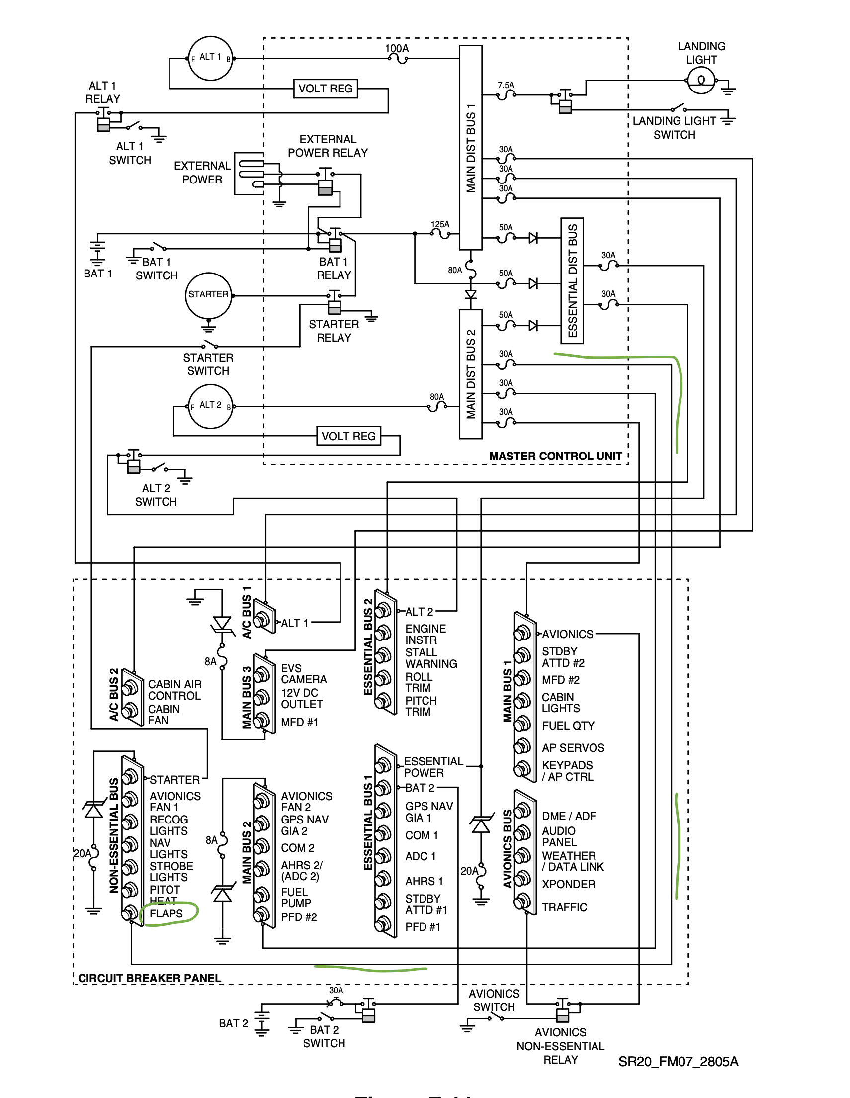
The POH diagram also shows ALT2 powering flaps

And here is the POH diagram - I have highlighted the flaps to alt2 connection with some green highlights.

I’ll try this the next time I am in the plane - but I was curious

Sorry I wasnt clear - I meant it as a question :slight_smile: I think ALT2 should power flaps but I heard that if ALT1 and BAT1 are down - then we lose flaps. Hence checking.

Thanks

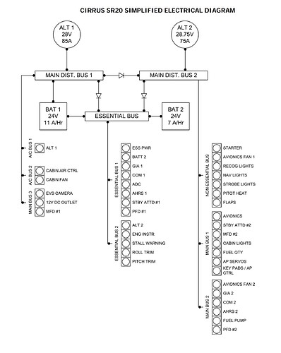
My SR20 G2 electrical system definitely does not power anything other than the Essential bus. It does explain why there might be some confusion. Here is its diagram:

aah the above is probably the non-perspective Cirrus.

The diagram I have is for the cirrus sr20 g3 with perspective - probably why its different.

Yes- Perspective and Avidyne Cirruses have different electrical systems. The perspective version is more robust.

Meanwhile, it’s time for you to join COPA so you can properly access the forum and the astonishing cornucopia of knowledge available therein.

I’d add that Cirrus has an amazing systems course that I revisit at least once a year on their learning portal. Absolutely worth the moolah. COPA membership is amazing, hope to see you on the “other side”!

Pull caps.
You have had a bunch of unfortunate circumstances, stressed and making a series of bad decisions.

I am only renting - so doing my due diligence before that. If I were an owner I would probably invest in a full membership. Otherwise I would have to be a member of all the types I rent - which would be a bunch :smile:

Thanks for all the answers ! You all were a big help !